| Sign In | Join Free | My ecer.com.ru |
|
Brand Name : YBX
Model Number : YX92G6-150A-T
Certification : cUL, ENEC, CE, ROHS
Place of Origin : China
MOQ : 5pcs
Price : Negotiable
Payment Terms : T/T, L/C
Supply Ability : 1000 Piece/Pieces per Month Three Phase Filter
Delivery Time : 20-25 days
Packaging Details : 56.5*28.5*22.5cm
Name : YX92G6-150A-T
Type : EMI Filter
Case : Metal case
Insertion Loss : 30-100dB
Transfer Function : Low Pass
Industrial Grade Inverter EMI Filter High Voltage Three Phase Power Filter
Introduction Of Three Phase Filter:
Three Phase Filter is a kind of EMI filter. It is often used in servo motor,variable frequency driver and three phase power systems. Its working principle is to allow the fundamental frequency of three phase power supply to pass through, while attenuating or blocking high frequency signals.
Feature Of Three Phase Filter:
1.Used as a main input filter, YX92 filters can keep the system reliable by restrain the conducted interference.
2.High current capacity: Three phase filter are designed to handle high current levels typically found in three phase power systems.
3.High attenuation: Three phase filter are designed to provide high levels of attenuation for unwanted high frequency signals, while allowing the fundamental frequency of the three phase power to pass through.
Typical Applications:
1. Mainframe computer systems
2. Servo motor
3. UPS/SMPS
4. Industrial electronic equipment by using frequency conversion principle
YX92G6-150A-T Specification:
| Item | Three phase EMI filter | Rated Current | 1A~200A |
| Model | YB21D4-15A-Q | Rated Voltage | 250V/440V |
| Operating Frequency | 50/60HZ | Line to Line | 1450VDC |
| Output Module | Terminal Block | Line to Ground | 2250VDC |
| Transfer Function | Low Pass | Leakage Current | 115VAC/50HZ 0.4mA Max 250VAC/60HZ 0.8mA Max |
| Package Type | Surface Mount | Environmental Temperature | 40℃ |
| Nominal Center Frequency | 150K-30MHZ | Input Impedance | 50Ω |
| Insertion Loss | 30~100dB | Lead Time | 5~15 weekday |
YX92G6-150A-T Picture:

Rule of Nomination:
YX----92-------G2--------150A------------------T
¦ ¦ ¦ ¦
circuit case current connection
Tabulates:
| Model No. | Rated Current @40°C | Terminal Options* | Leakage current 440V/50Hz | Electrical Schematic | Rated Voltage(V) | Operating Frequency(Hz) | ||||||||||||||||||||||||||||||
| YX92G1-3A | 3A | Q | S | T | <5.0mA | Fig.1 | 250/440V | 50/60Hz | ||||||||||||||||||||||||||||
| YX92G1-6A | 6A | Q | S | T | Fig.1 | |||||||||||||||||||||||||||||||
| YX92G1-10A | 10A | Q | S | T | Fig.1 | |||||||||||||||||||||||||||||||
| YX92G2-15A | 15A | Q | S | T | Fig.1 | |||||||||||||||||||||||||||||||
| YX92G2-20A | 20A | - | S | T | Fig.1 | |||||||||||||||||||||||||||||||
| YX92G2-25A | 25A | - | S | T | Fig.1 | |||||||||||||||||||||||||||||||
| YX92G2-30A | 30A | - | S | T | Fig.1 | |||||||||||||||||||||||||||||||
| YX92G3-35A | 35A | - | S | T | <7.0mA | Fig.1 | ||||||||||||||||||||||||||||||
| YX92G5-50A | 50A | - | S | T | Fig.1 | |||||||||||||||||||||||||||||||
| YX92G5-60A | 60A | - | S | T | Fig.1 | |||||||||||||||||||||||||||||||
| YX92G5-80A | 80A | - | S | T | <10.0mA | Fig.1 | ||||||||||||||||||||||||||||||
| YX92G4-100A | 100A | - | S | T | Fig.1 | |||||||||||||||||||||||||||||||
| YX92G6-150A | 150A | - | S | T | <15.0mA | Fig.1 | ||||||||||||||||||||||||||||||
| YX92G6-200A | 200A | - | S | T | Fig.1 | |||||||||||||||||||||||||||||||
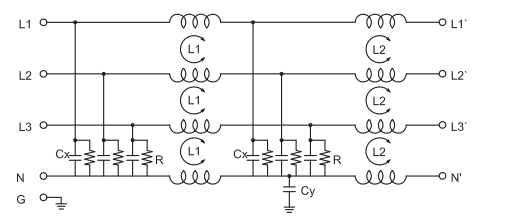
Electrical Schematic:

Fig.1
Mechanical Dimension(Unit: mm)


Insertion Loss (In 50ohm system according IEC/CISPR No.17)
Common mode
--------
Differential mode
6/10A 20A
40A 80A
100A
|
|
Industrial Grade Inverter EMI Filter High Voltage Three Phase Four Wire Power Filter Images |