| Sign In | Join Free | My ecer.com.ru |
|
Brand Name : YBX
Model Number : YB22D1-6A-W
Certification : cUL, TUV, CQC, CE, ROHS
Place of Origin : China
MOQ : 50pcs
Price : Negotiable
Payment Terms : T/T, L/C
Supply Ability : 10000 Piece/Pieces per Month Ac 220V General Purpose Noise Filter
Delivery Time : 20-25 days
Packaging Details : 56.5*28.5*22.5cm
Item : EMC Filter
Current : 1A-10A
Voltage : 220VAC
Frequency : 50/60HZ
Packaging : Carton
MOQ : 50pcs
High Quality Two-Stage Single Phase EMI Filter Wire Output Power Line Filter
| Part No. | Case | Rated Currents (A) | Output Connections |
| YB22D1-6A | D1 | 6 | Fast-on terminal |
| YB22D1-10A | D1 | 10 | |
| YB22D1-15A | D1 | 15 | Wire |
| YB22D1-20A | D1 | 20 | |
| YB22D1-30A | D1 | 30 | M4 Screw |
| YB22D1-40A | D1 | 40 |
*Q: Fast-on 6.35x0.8mm
S: Screw lug
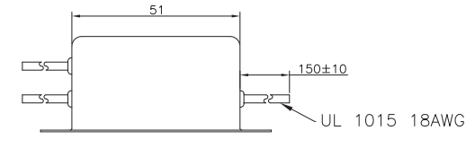
W: UL1015 18awg
Naming Rule:
| YB | 22 | D1 | - | 6A | - | W |
| ∣ | ∣ | ∣ | ∣ | ∣ | ||
| Our brand | Circuit | Dimension | Current | Output Connection | ||
| 22:22 circuit | D1 | 6A :6 amp | Q:fast-on tab 250 | |||
| 10A :10 amp | W:wire | |||||
| 20A :20 amp | S:M4 screw |
Features Of Single Phase Filter:
-- The rated current can be offered from 1 to 50 amps.
-- Various output selections such as M4 screw terminal wire and
terminal block.
-- YB22 have designed two-stage filtering, with good differential and common-mode attenuation.
-- There are a variety of parts and combinations to meet different customer's EMC tests.
EMI Filter Application:
1. Electrical and electronic equipment
2. Medical equipment
3. Datacom equipment
4. Office automation equipment
Technical Specification:
| Item | Single Phase Filter | Rated Current | 1~10A |
| Model | YB22D1-6A-W | Environmental Temperature | 40°C |
| Transfer Function | Low Pass | Temperature Range | 25 / 085 / 21 |
| Package Type | Surface Mount | Operating Frequency | 50/60HZ |
| Nominal Center Frequency | 150K-30MHZ | Line to Line | 1450VDC |
| Insertion Loss | 60~90dB | Line to Ground | 2250VDC |
| Input Impedance | 50Ω | Maximum Leakage Current | 250VAC/60HZ 0.8mA Max |
| Rated Voltage | 115V/250V | MOQ | 100pcs |
YB22D1-6A-W EMI Filter Picture:

Tabulates:
| Model No. | Rated Current @40°C | Terminal Options* | Leakage current 250V/50Hz | Electrical Schematic | Rated Voltage(V) | Operating Frequency(Hz) | ||||||||||||||||||||||||||||||
| YB22E4-1A | 1A~4A | Q | S | W |
<0.8mA | Fig.1 |
115/250V |
50/60Hz | ||||||||||||||||||||||||||||
| YB22E4-6A | 6A | Q | S | W | Fig.1 | |||||||||||||||||||||||||||||||
| YB22E4-8A | 8A | Q | S | W | Fig.1 | |||||||||||||||||||||||||||||||
| YB22E4-10A | 10A | Q | S | W | Fig.1 | |||||||||||||||||||||||||||||||
| YB22E4-15A | 15A | Q | S | - | Fig.1 | |||||||||||||||||||||||||||||||
| YB22D1-1A | 1A~4A | Q | - | W | Fig.1 | |||||||||||||||||||||||||||||||
| YB22D1-6A | 6A | Q | - | W | Fig.1 | |||||||||||||||||||||||||||||||
| YB22D2-6A | 6A | Q | S | W | Fig.1 | |||||||||||||||||||||||||||||||
| YB22D2-8A | 8A | Q | S | W | Fig.1 | |||||||||||||||||||||||||||||||
| YB22D2-10A | 10A | Q | S | W | Fig.1 | |||||||||||||||||||||||||||||||
| YB22D2-15A | 15A | Q | S | - | Fig.1 | |||||||||||||||||||||||||||||||
| YB22D3-8A | 8A | Q | S | W | Fig.1 | |||||||||||||||||||||||||||||||
| YB22D3-10A | 10A | Q | S | W | Fig.1 | |||||||||||||||||||||||||||||||
| YB22D3-15A | 15A | Q | S | - | Fig.1 | |||||||||||||||||||||||||||||||
| YB22D4-10A | 10A | Q | S | W | Fig.1 | |||||||||||||||||||||||||||||||
| YB22D4-15A | 15A | Q | S | - | Fig.1 | |||||||||||||||||||||||||||||||
| YB22D4-20A | 20A | Q | S | - | Fig.1 | |||||||||||||||||||||||||||||||
| YB22D5-15A | 15A | Q | S | - | Fig.1 | |||||||||||||||||||||||||||||||
| YB22D5-20A | 20A | Q | S | - | Fig.1 | |||||||||||||||||||||||||||||||
| YB22D5-30A | 30A | - | S | - | Fig.1 | |||||||||||||||||||||||||||||||
| YB22D6-20A | 20A | - | S | - | Fig.1 | |||||||||||||||||||||||||||||||
| YB22D6-30A | 30A | - | S | - | Fig.1 | |||||||||||||||||||||||||||||||
| YB22F1-20A | 20A | - | S | - | Fig.1 | |||||||||||||||||||||||||||||||
| YB22F1-30A | 30A | - | S | - | Fig.1 | |||||||||||||||||||||||||||||||
| YB22F2-30A | 30A | - | S | - | Fig.1 | |||||||||||||||||||||||||||||||
| YB22F2-40A | 40A | - | S | - | Fig.1 | |||||||||||||||||||||||||||||||
| YB22F2-50A | 50A | - | S | - | Fig.1 | |||||||||||||||||||||||||||||||
| YB22F3-50A | 50A | - | S | - | Fig.1 | |||||||||||||||||||||||||||||||
Medical Type Tabulates:
| Model No. | Rated Current @40°C | Terminal Options | Medical equipment | Leakage current 250V/50Hz | Electrical Schematic | Rated Voltage(V) | Operating Frequency(Hz) | ||||||||||||||||||||||||||||||||
| YB22E4-1A-x(5) | 1A~4A | Q | S | W | 5 |
<5μA | Fig.2 |
115/250V |
50/60Hz | ||||||||||||||||||||||||||||||
| YB22E4-6A-x(5) | 6A | Q | S | W | 5 | Fig.2 | |||||||||||||||||||||||||||||||||
| YB22E4-8A-x(5) | 8A | Q | S | W | 5 | Fig.2 | |||||||||||||||||||||||||||||||||
| YB22E4-10A-x(5) | 10A | Q | S | W | 5 | Fig.2 | |||||||||||||||||||||||||||||||||
| YB22E4-15A-x(5) | 15A | Q | S | W | 5 | Fig.2 | |||||||||||||||||||||||||||||||||
| YB22D1-1A-x(5) | 1A~4A | Q | - | W | 5 | Fig.2 | |||||||||||||||||||||||||||||||||
| YB22D1-6A-x(5) | 6A | Q | - | W | 5 | Fig.2 | |||||||||||||||||||||||||||||||||
| YB22D2-6A-x(5) | 6A | Q | S | W | 5 | Fig.2 | |||||||||||||||||||||||||||||||||
| YB22D2-8A-x(5) | 8A | Q | S | W | 5 | Fig.2 | |||||||||||||||||||||||||||||||||
| YB22D2-10A-x(5) | 10A | Q | S | W | 5 | Fig.2 | |||||||||||||||||||||||||||||||||
| YB22D2-15A-x(5) | 15A | Q | S | - | 5 | Fig.2 | |||||||||||||||||||||||||||||||||
| YB22D3-8A-x(5) | 8A | Q | S | W | 5 | Fig.2 | |||||||||||||||||||||||||||||||||
| YB22D3-10A-x(5) | 10A | Q | S | W | 5 | Fig.2 | |||||||||||||||||||||||||||||||||
| YB22D3-15A-x(5) | 15A | Q | S | - | 5 | Fig.2 | |||||||||||||||||||||||||||||||||
| YB22D4-10A-x(5) | 10A | Q | S | W | 5 | Fig.2 | |||||||||||||||||||||||||||||||||
| YB22D4-15A-x(5) | 15A | Q | S | - | 5 | Fig.2 | |||||||||||||||||||||||||||||||||
| YB22D4-20A-x(5) | 20A | Q | S | - | 5 | Fig.2 | |||||||||||||||||||||||||||||||||
| YB22D5-15A-x(5) | 15A | Q | S | - | 5 | Fig.2 | |||||||||||||||||||||||||||||||||
| YB22D5-20A-x(5) | 20A | Q | S | - | 5 | Fig.2 | |||||||||||||||||||||||||||||||||
| YB22D5-30A-x(5) | 30A | - | S | - | 5 | Fig.2 | |||||||||||||||||||||||||||||||||
| YB22D6-20A-x(5) | 20A | Q | S | - | 5 | Fig.2 | |||||||||||||||||||||||||||||||||
| YB22F1-20A-x(5) | 20A | Q | S | - | 5 | Fig.2 | |||||||||||||||||||||||||||||||||
| YB22F1-30A-x(5) | 30A | - | S | - | 5 | Fig.2 | |||||||||||||||||||||||||||||||||
| YB22F2-30A-x(5) | 30A | - | S | - | 5 | Fig.2 | |||||||||||||||||||||||||||||||||
| YB22F2-40A-x(5) | 40A | - | S | - | 5 | Fig.2 | |||||||||||||||||||||||||||||||||
| YB22F2-50A-x(5) | 50A | - | S | - | 5 | Fig.2 | |||||||||||||||||||||||||||||||||
| YB22F3-50A-x(5) | 50A | - | S | - | 5 | Fig.2 | |||||||||||||||||||||||||||||||||
YB22D1 Electrical Schematic:
Mechanical Dimension(Unit: mm)



Our Certificates:

|
|
1A-6A Two-Stage Single Phase EMC Filter Wire Output Power Line Filter Images |